只读存储器 @

  • 早期的只读存储器—在厂家就写好了内容
  • 改进 1—用户可以自己写—一次性
  • 改进 2—可以多次写—要能对信息进行擦除
  • 改进 3—电可擦写—特定设备
  • 改进 4—电可擦写—直接连接到计算机上

掩膜 ROM(MROM) @

MROM 有芯片制造商在制造时写入内容,之后只能读不能写入,其基本存储原理是以元件的”有/无”来表示该存储单元的信息(“1”或”0”)。

  • 行列选择线交叉处有 MOS 管为”1”
  • 行列选择线交叉处无 MOS 管为”0”

PROM(一次性编程) @

  • 使用熔丝存储数据,用户可根据自己的需要来对其填入内容,属于一次性写入的存储器。部分 PROM 在出厂时数据全为 0,用户可以将其中的部分单元写入 1,以实现对其”编程”的目的。

image

EPROM(多次编程) @

使用悬浮栅存储数据,为了能多次修改 ROM 的内容,产生了 EPROM,EPRM 使用高压写入数据,当需要修改时,可使用紫外线将其全部内容擦除(不能局部擦除)。但是使用紫外线并不方便,因此产生了 EEPROM.

image

  • D 端加正电压,形成浮动栅,S 与 D 不导通为”0”
  • D 端不加正电压,不形成浮动栅,S 与 D 导通为”1”

EEPROM(多次性编程) @

EEPROM 与 EPROM 运作原理一样,不但写入数据使用高压,擦除数据也是用了高压。

  • 电可擦写
  • 局部擦写
  • 全部擦写

Flash Memory(闪速型存储器) @

闪存虽然属于内存的一种,但不同于内存。众所周知,如果没有电流供应,内存中的内容会消失,闪存在没有电流供应的情况下仍能长久的保持数据,其存储特性相当于硬盘,集合了 ROM 与 RAM 的长处。一般闪存按块读取数据。

存储器容量的扩展 @

  1. 位扩展(增加存储子长) 用 2 片 1K_4 位的存储芯片组成 1K_8 位的存储器,需要 10 根地址线,8 根数据线。(2^10=1K)

image

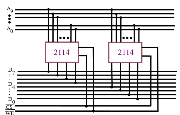
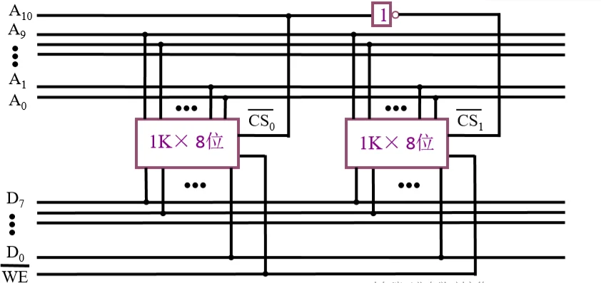
  1. 字扩展(增加存储字的数量)
    用 2 片 1K_8 位存储芯片组成 2K_8 位的存储器,需要 11 根地址线,8 根数据线。

image

  1. 字、位扩展
    用 8 片 1K_4 位存储芯片组成 4K_8 位的存储器,需要 12 根地址线,8 根数据线。

image

存储器与 CPU 的连接 @

  1. 地址线的连接
  2. 数据线的连接
  3. 读/写命令线的连接
  4. 片选线的连接
  5. 合理选择存储芯片
  6. 其他(时序、负载)

例题 @

假设同前,要求最小 4K 为系统程序区,相邻 8K 为用户程序区。

  1. 写出对应二进制地址码
  2. 确定芯片的数量及类型

image

  1. 分配地址线

image

  1. 确定片选信号

存储器的校验 @

  • 合法代码集合
  1. {000,001,010,011,100,101,110,111} 检 0 位错,纠 0 位错
  2. {000,011,101,110}合法编码的特点,1 的个数为偶数个,或 0 个,检 1 位,纠 0 位。
  3. {000,111}合法编码为 1 的个数是 3,检 1 位,纠 1 位。
  4. {0000,1111}检 2 位,纠 1 位
  5. {00000,11111}检 2 位,纠 2 位。

检测能力与任意两组合法代码之间二进制位的最少差异数有关。

编码的最小距离 @

任意两组合法代码之间二进制位数的最少差异、编码的纠错、检错能力与编码的最小距离有关。

L-1=D+C(D>=C)

L: 编码的最小距离 L=3

D: 检测错误的位数,例:具有一位纠错能力

C: 纠正错误的位数

汉明码的组成 @

  • 汉明码采用奇偶校验
  • 汉明码采用分组校验
  • 汉明码的分组是一种非划分方式一组数据为 1234567,分成 3 组,每组有一位校验位,共包括 4 位数据位,而汉明码的分组如下:

image

若第一组出错,其他两组没错,则出错位为 1.若第三组与第一组出错,第二组没错,则出错位置为第三组与第一组公共位置为 5,如果第三组与第二组出错,第一组没错,则出错位为 6,将三组 P3p2p1 倒序排列出错的位置恰好为其二进制对应十进制的数据。

奇偶校验:添加一位校验位,判断 1 的个数是奇数还是偶数,无法纠错。如果将上述数据分组,然后分别添加校验码,可以得到两个校验码,因此可以纠 2 位。

汉明码分组 @

第一组 XXXX1

第二组 XXX1X

第三组 XX1XX

第四组 X1XXX

第五组 1XXXX

相应 1,2,4,8…位置放校验码。1,2,4,8 是每一个部分独有的,如果数据的第 1 位与第 3 位为 1,就是第一组与第三组所共有的数据,以此类推。

组成汉明码的三要素 @

  1. 汉明码的组成需要增添?位检测位 2^K>=n+k+1
  2. 检测位的位置? 2^i(i=0,1,2,3,…)
  3. 检测位的取值? 检测位的取值与该位所在的检测”小组”中承担的奇偶教研任务有关。

各检测位 Ci 所承担的检测小组为 @

image

例题 @

求 0101 按”偶校验”配置的汉明码

image

按配偶原则配置 0011 的汉明码

image

汉明码的纠错过程 @

每一组形成新的检测位 Pi,其位数与增添的检测位有关。

image

已知接收到的汉明码为 0100111(按配偶原则配置)试问要求传送的信息是什么?

image

写出按偶校验配置的汉明码

image

提高访存速度的措施 @

  • 采用高速器件
  • 采用层次结构 Cache-主存
  • 调整主存结构
  1. 单体多字系统,增加存储器的带宽

image

  1. 多体并行系统
  • 高位交叉,顺序编址

image

  • 高位交叉,各个体并行工作

image

  • 低位交叉,各个体轮流编址

image

  • 低位交叉,各个体轮流编址

image

低位交叉的特点 @

在不改变存取周期的前提下,增加存储器的带宽

image

设四体低位交叉存储器,存取周期为 T,总线传输周期为 τ,为实现流水线方式存取,应满足 T=4τ。

image

连续读取 4 个字所需的时间为 T+(4-1)τ.

高性能存储芯片 @

  1. SDRAM(同步 DRAM)
  2. RDRAM
  3. 带 Cache 的 DRAM 在 DRAM 的芯片内集成了一个由 SRAM 组成的 Cache,有利于猝发式读取。