浮点加减运算 @

$$ x = S_x \times 2^t, \quad y = S_y \times 2^t $$

对阶 @

  1. 求阶差

image

  1. 对阶就是判断两个浮点数的值是否相同,如果两数的阶码相同,直接可以加数值部分,即可完成相加,如果阶码不同,则需要对其进行对阶。

  2. 对阶原则,小阶向大阶看齐
    如果大阶向小阶看齐,需要对其进行左移,容易将高位的 1 丢失,引发错误。而小阶向大阶看齐,需要对其进行右移,只会影响数据的精度,不会影响具体的数据大小

例如:$x=0.1101×2^{01},y=(−0.1010)×2^{11}$,求$x+y$

  1. 对阶

i. 求阶差:$[\Delta I]_{i\frac{1}{2}} = [I_s]_{i\frac{1}{2}}^k - [I_s]_{i\frac{1}{2}}^{k-1} = 00.01 - 11.10 = -2$,$f_x + 2$

ii. 对阶后 $[x]_{i\frac{1}{2}} = 00.11;00.0011$

  1. 尾数求和:$[S_x]_{i\frac{1}{2}} + [S_y]_{i\frac{1}{2}} = 00.0011 + 11.0110 = 11.1001$

所以 $[x+y]_{i\frac{1}{2}} = 00.11;11.1001$,$-[y_s]_{i\frac{1}{2}} \text{ 实际上等于 } [-f_s]_{i\frac{1}{2}}$

规格化 @

  1. 规格化数的定义,$r=2, \quad \frac{1}{2} \leq |S| < 1$
  2. 规格化数的判断

image

原码: 不论正数、负数,第一数位为 1 补码: 符号位和第一数位不同

特例:

  1. $[-1/2]_{补}$ 不是规格化的数

    $S = -1/2 = -0.100...0$

    $[S]_{原} = 1.100...0$

    $[S]_{补} = 1.100...0$

  2. $[-1]_{补}$ 是规格化的数

    $S = -1$

    $[S]_{补} = 1.000...0$

左规 @

尾数左移一位,阶码-1,直到数符和第一数位不同为止

例:$[x+y]_{补} = 00,11;11.1001$

左规后$[x+y]_{补} = 00,10;11.0010$

则 $x+y=(-0.1110)\times2^{10}$

右规 @

当尾数溢出(>1)时,需要右规

即尾数出现 01.XX 或 10.XX 时,尾数右移一位,阶码 +1

例:$x = 0.1101 \times 2^{10}, y = 0.1011 \times 2^{01}$,求$x+y$

除阶符、数符外,阶码取 3 位,尾数取 6 位

image

image

舍入 @

在对阶和右规过程中,可能出现尾数末位丢失,引起误差,需考虑舍入。

  1. 0 舍 1 入法,如果末位是 0 丢弃,如果是 1 进位
  2. 恒置”1”法,末位始终置为 1

例如: $x=(−5/8)×2^{−5},y=(7/8)×2^{−4}$

除阶符、数符外,阶码取 3 位,尾数取 6 位。

image

image

溢出判断 @

设机器数为补码,尾数为规格化形式,并假设阶符取 2 位,阶码的数值部分取 7 位,数符取 2 位,尾数取 n 位,则该补码在数轴上的表示为

image

算术逻辑单元 @

ALU 电路 @

组合逻辑电路,Ki不同取值, Fi不同

image

四位 ALU 74181,M=0 算术运算,M=1 逻辑运算,$S_3 - S_0$不同取值,可做不同运算。

快速进位链 @

  1. 并行加法器

image

  1. 串行进位链

image

  1. 并行进位链(先行进位,跳跃进位)
    image

  2. 单重分组跳跃进位链

image

  • 双重分组跳跃进位链

image

  • 双重分组跳跃进位链,大组进位分析

image

  • 双重分组跳跃进位链的大组进位线路

image

  • 双重分组跳跃进位链的小组进位线路

image

  • n=16 双重分组跳跃进位链

image

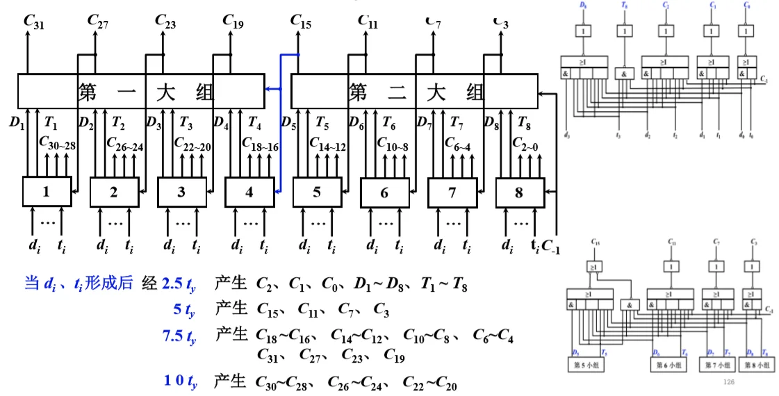
  • n=32 双重分组跳跃进位链

image